- Bán trailer
- Side Wall Trailer
- Xe kéo phẳng
- Interlink Semi Trailer
- Trailer đổ
- lowbed bán trailer
- Trailer xi măng số lượng lớn
- xe container
- xe chở dầu
- Tàu chở LPG bán trailer
- tàu chở dầu nhôm
- tàu chở hóa chất bán trailer
- xe đẩy bằng thép không gỉ
- modulartrailer
- đăng nhập bằng gỗ trailer
- xe vận chuyển bán trailer
- xe kéo cánh gió
- Xe tải Howo
- DRAWBAR TRAILER
- FAW TRUCK
Lubrication position
1、Use general lithium grease
2、Lubricate at least once a month
3、If grease cannot be added,check and replace the oil cup

SUGGESTION
Ensure the tire air pressure to be Ok before running。
Please check the wheel nuts every day.
Please check the wheelbase and fastener every month.
Do not over loading or uneven loading before running.
·Lubricate periodically.
·Maintenance punctually.
Notice
·Check and ensure the tractor and semi-trailer are matched before connecting them.
· Check and ensure the supply pipelines (red color) and control pipelines (yellow color) are connected correctly before connecting.
· Check and ensure all electrode connect well and all lights of the trailer are working well,after
the connection circuit with the tractor.
·Cheek and ensure the air tank pressure of tractor and semi-trailers are normal and natural
before running.
CAUTION
DO NOT do any jointing and cutting onbeams without technicians direction of ourcompany!
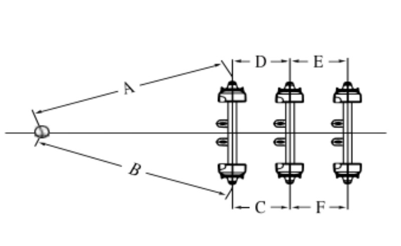
Notice
Please check and adiust the axle spaceaccording to the image after One-monthrunning or odometerreach5000KM.
(A-B)≤3mm,(C-D)≤2mm,(E-F)≤2mm
CAUTION
Nuts of the U-bolts should be tighten as following methods:
1.Mounting torque of the nuts is 680-850N.m;
2.Check and ensure the nuts are tighten after the firsttransportation;
3.Check and ensure the nuts are tighten monthly or every10000 kilometers(whichever comes first);
4.Also same as above when a nut is replaced every time.
Important Notice!
The top pull bar is an important component of a dump trailer.Once lostor damaged,the vehicle should be stopped immediately and repairedthe top pull bar in a timely manner.Otherwise,it may cause damagercracking to the van body.Please pay sufficient attention to it.if the top pull rod is bolted,it is recommended to weld this pull rod to theside panelnear the tailgate.
SAFE TIPPING!
1.This cylinder is a lifting device only,should not be used as a structural member;
2.Max,duration of extension is 0.5 hours(excluded hard chromed stages);
3.When body has fully lowered,keep about 30 seconds before switching the tippercontrol from"lowering"position to "neutral"position;
4.Do not use emergency brake during unloading,when stopping hydraulicsystem,separate PTO:
5.Do not use the reverse gear during unloading,otherwvise the pump will bedamaged.
Never go under a raised bodyunless it is safely propped.
1.the taildoor is released prior to tipping
2.Ensure the taildoor resecured before driving off
Warning
In order to keep your tipper trailer safe and reliable,be sure to obey the following specification:
Pour rendre votré benne plus sar et plus fiable,assurez-vous de suivre les directives'd'utilisation suivantes:
oil cylinder of tipper trailer only can be used for lifting device,Do not use it for support structure part.Le cylinder d'huile ne peut etre utilise que comme un apparell de levage,ne jamais "utiliser comme structure de support.
Do not overload and ensure that the load is evenly distributed across the width of the body and front to back.Ne surchargez pas,assurez-vous que la cargaisonest roparlie uniformément dans les directions avant,arriere.gauche et droite du benne.
Alwavs make sure that the vehicles is on firm evel around both side wavs and front to back.Make sure the vehicle remain level.Do not tip facing uphill or downhill.Assurez-vous que l'aire de stationnement du véhicule est solide et plate.Assurez-vous que le véhicule est de niveauet non levé en montee ou en descente
Articulated vehicles should always be tipped with the trailer in line the tractor unit.Le tracteur et la benne doivent etre alignés lorsqu'l monte.
Never use a sudden brake to unload.Otherwise,the trller,hydraulic cylinder or other components will bedamaged seriously.
N'utilisez jamais de freins rapid pour le déchargement,autrement,la benne,vérins hydrauliques ou autrescomposants hydrauliques seront gravement endommagés
Do not use the reverse gear when unloading.Reversed rotation of strength fetching device and oil pump willdamage the oil seal of the pump.
Ne pas utiliser la marche arriere lors du déchargement,La rotationinverse de la prise de mouvement etde la pompe a huile peut facilement endommager le joint dhuile.
Ensure the engine speed do not exceed 1500 RPM(Rotalion per minute).Before cylinder reaches end of strokedecrease engine rev to stationary.Le régimemoteur ne dépasse pas 1500 RMP(Tours par minute).Reduisez le régime moteur au ralentiavant que la levée des cylindres ne s'approche de la course maximale.
When the body has lowered and while driving off,allow about 1 minutes before switching the tipper control from"lowering"position to "neutral"position.then separate the PTO(power take off).Une fois que 'armoire est completement sauvegardée pendant environ une minute,tournez la poignée dela soupape de commande d'air de la position 《bas》a la position《arrét》.Ensuite,séparez la PTO.
When the volume more than 30m³or length more than 10 meter,it needs 2~3 times to unload.The trailershould not be moved before the body fell to fixed position.Never move a tipping trailer!orsque le volume dépasse 30 cubes ou la longueur depasse 10 metres,l faut deux a trois fois pourdécharger.La caisse doit etre rétractée apres le premier déchargement pour faire avancer le benne.Ne déplacez pas la benne quand il monte.
Stay out of the working area of an operating body.It must be securely propped when work under the body.Ne restez pas dans la zone de traval de I'operation de déchargement;Lorsque vous travailez sous la caissevous devez vous assurer que la caisse est bien supportée.
Driver'sNotice
After the first loading,use a torque wrench to check the tightness of the wheelnuts(the same check should be done after each tire change).
weeks after the initial drive,the wheelbolts and nuts,balance beam shaft nuts,connecting rod shaft nuts,U-bolt nuts and leaf spring barier bolts and nuts shouldbe tightened to the specified torque.
Before each vehicle operation,check the tire pressure.It is necessary to checkthe tightness of the main bolts and nuts of the wheels and suspension systemSituation;Check whether the leaf springs are broken.
MAINTENANCE INSTRUCTIONS
Leaf springs,hub bolts,adjusting arms,dust covers,brake shoes,tension rods,various bushings,and various bolts Nuts,steel sleeves,oil seals and all sealingparts and rubber parts,etc.are consumable and vulnerable parts and are not cov-
Under harsh road conditions in the mining area or in off-road conditions,the ser-vice life of the vulnerable parts mentioned in Paragraph 1 will be significantlyshortened and additional wear is requiredThe frequency of major replacement is
Timely lubrication should be provided for parts such as the axle,suspension,andcylinder support.It is recommended that the axles and cylinder supports be lubri-cated at least once a weekThe suspension system(including leaf springs)should
Under harsh road conditions in the mining area or in non-highway conditions,theservice life of the axles,suspensions and leaf springs will be greatly shortened.Please note Stock up on sufficient parts in advance to replace them in time.
Please promptly flush the relay valve and other pneumatic system components toprevent excessive dust accumulation.




